Dans la volonté d'accompagner le client sur un projet de bout en bout, nous tenons aussi compte de l'opérateur, les tapis Clean Drain antifatigue sont les équipements incontournables dans cette démarche de qualité de travail et d'ergonomie.
ERGOLASTEC® clean – Le tapis hygiénique. Ce tapis est particulièrement adapté pour les zones soumises à des normes d'hygiène strictes, telles que les cuisines industrielles, les boucheries, les abattoirs et les bateaux de pêche. Grâce à sa surface antidérapante, il offre un espace de travail sécurisé même dans les zones humides.
![]() |
![]() |
Spécifications :
- Particulièrement adapté pour les postes de travail à l’hygiène stricte tels que dans les cuisines professionnelles, les charcuteries industrielles, les abattoirs ainsi que les bateaux de pèche
- Les tapis s’installent sans fixation et sont thermo isolants.
- Grâce à sa surface antidérapante ERGOLASTEC clean offre une grande adhérence y compris aux postes de travail exposés à une forte humidité.
- Risque de chute réduit grâce aux bords extérieurs biseautés.
- ERGOLASTEC clean repose de façon très stable, son propre poids l’empêche de glisser sans fixation particulière
- Très stable, c’est un support tout à fait adapté au passage d’engins de transport (jusqu’à 400 kg).
- Conformément aux règlementations en matière d’hygiène, ERGOLASTEC clean est produit à base d’un mélange de caoutchouc biocide, et prévient ainsi la formation de bactéries et de champignons
- Grâce au choix de matières premières de qualité, le tapis est pratiquement sans odeurs et peut ainsi être employé dans des espaces confinés
- Nettoyage facile du tapis à l’aide de détergents usuels.
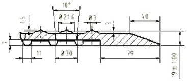
Caractéristiques techniques :
|
Surface |
Profil diamanté |
|
Envers |
Demi-sphère amortissantes |
|
Bords extérieurs |
Biseautés à 20° |
|
Longueur / Largeur / Epaisseur |
1350 x 1000 x 19 mm* |
|
Poids |
19 ± 1 kg |
|
Dureté |
63 ± 4 shore A |
|
Résistance thermique |
- 35°C à + 95°C |
|
Variantes de puzzle |
Type A à K |
|
Matière |
EPDM |
|
Couleurs |
Gris |
|
Résistance à la traction |
> 6.0 MPa |
|
Allongement à la rupture |
> 500 % |
|
Densité |
1.2 ± 0.2 g / cm³ |
|
Classe de résistance au feu |
Equivaut à Dfl |
|
Conductivité électrique |
Prévient le développement des bactéries et des champignons |
Tolérences selon DIN ISO 3302-1M4
Découpe sur mesure :
|
véritable partenaire vous aide pour faire les plans sur-mesure de vos besoins spécifiques. |
![]() |























